世宇精測有限公司

厚度計

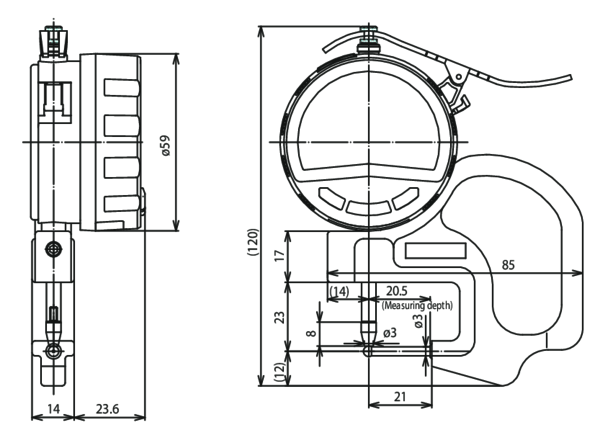
Mitutoyo 測管厚度計

Mitutoyo 測管厚度計

測量管道的壁厚和曲線板的厚度
(探頭、砧座:淬火鋼)

諮詢此商品





547-361A


7360A