世宇精測有限公司

深度計

Mitutoyo針盤式深度計

Mitutoyo針盤式深度計

• 最適用於孔、窄槽和台階 測量。

諮詢此商品

   
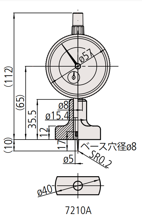
7210A
  
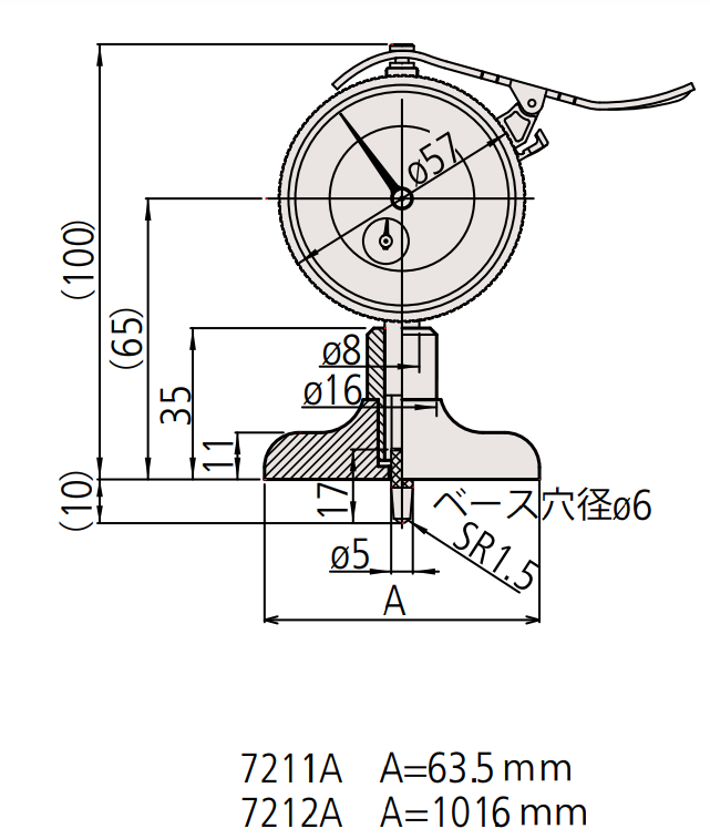
7212A
  
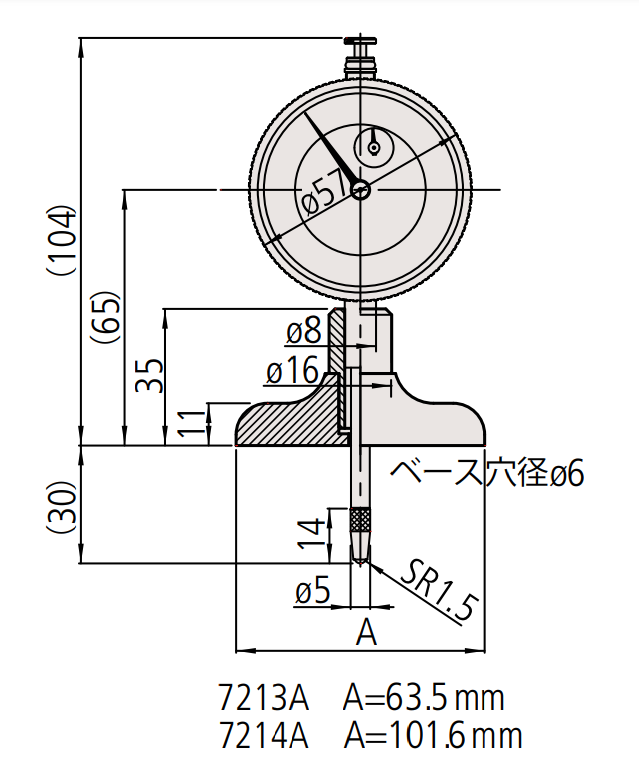
7214A
  
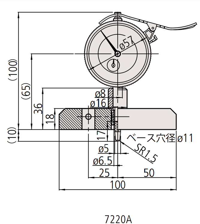
7220A
  
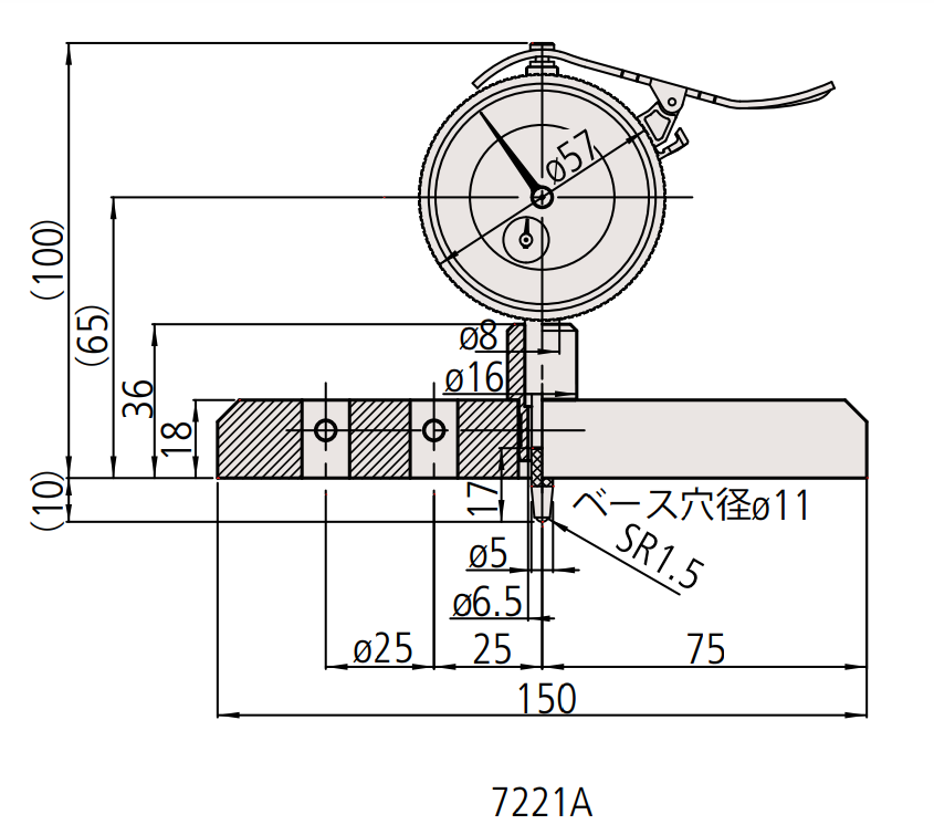
7221A
  
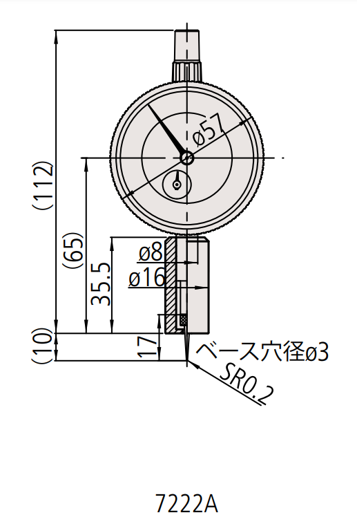
7222A
  
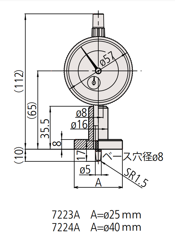
7224A