世宇精測有限公司

量錶

瑞士Sylvac缸徑規電子表

瑞士Sylvac缸徑規電子表

適用於缸徑規上的電子表

特殊軟體功能設計

缸徑規經環規歸零校準後記憶,進入工件游移,顯示最小反轉點

一鍵解除後叫出記憶值即可接續量測,無須再做歸零

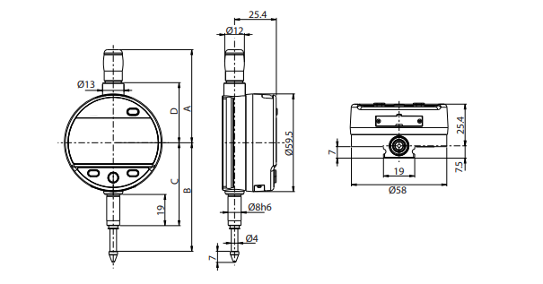
量測行程12.5mm,最大誤差3µ

依據孔件角度,表盤可旋轉270°方便量測讀取

內建藍芽晶片,支援無線數據輸出

亦可選配傳輸線,USB/RS232

諮詢此商品